واتساپ

8615665727870

به ما ایمیل بزنید

sdepochwater@hotmail.com

محصولات
کنتور آب آبیاری
  • کنتور آب آبیاریکنتور آب آبیاری
  • کنتور آب آبیاریکنتور آب آبیاری

کنتور آب آبیاری

استفاده: ابزار اندازه گیری جریان برای اندازه گیری حجم کل آب جاری در خط لوله.

شرایط عرضه شده:

▶سایز:DN50~DN600

▶جنس: پوسته چدن

▶ درجه حرارت: T30، T50، T90

▶کلاس فشار:MAP16،MAP10

▶افت فشار:△P63


روش نصب:

1-نصب افقی

2. فیلتر آب اضافی مورد نیاز است.

3. ورودی/خروجی آب کنتور به بخش لوله مستقیم U10/D5 نیاز دارد.


خصوصیات:

1. مقاومت انتقال کوچک، ظرفیت جریان بزرگ، ضد انسداد و توانایی ضد آلودگی قوی.

2. روتور افقی، خشک، درایو کوپلینگ مغناطیسی.

3. شمارنده از آب بندی خلاء، ضد تراکم و اتمیزه شدن استفاده می کند و می تواند خواندن را برای مدت طولانی روشن نگه دارد.

4. ساختار قابل جابجایی برای نصب و نگهداری آسان اتخاذ شده است

5. مکانیسم اندازه گیری جهانی بودن قوی دارد.

6. با توجه به نیازهای مشتریان، دستگاه انتقال و انتقال از راه دور (انتقال دو نی / سالن) قابل ارائه است.


پارامتر فنی:

DN (میلی متر) جریان محدوده درجه اندازه گیری حداکثر جریان Q4 مشترک جریان Q3 جریان مرزی Q2 حداقل جریان Q1 حداقل خواندن حداکثر خواندن
Q3/Q1 m3/h
LXXG-50 2” R20 (R25) 25 31.25 5 1.25 0.002 999، 999
LXXG-65 2/2" 40 50 8 2 0.002 999، 999
LXXG-80 3” 63 78.75 12.6 3.15 0.002 999، 999
LXXG-100 4” 100 125 20 5 0.002 999، 999
LXXG-125 5” 160 200 32 8 0.002 999، 999
LXXG-150 6” 250 312.5 50 12.5 0.002 999، 999
LXXG-200 8” 400 500 80 20 0.002 999، 999
LXXG-250 10” 630 787.5 126 31.5 0.02 9، 999، 999

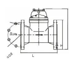
ابعاد و وزن کلی:

مدل DN طول ارتفاع فلنج اتصال
میلی متر فلنج بیرونی قطر φD1 تعداد پیچ و مهره های اتصال D2 تعداد پیچ و مهره های اتصال
LXXG-50 2” 200 253 165 125 4*M16
LXXG-65 2V2" 200 268 185 145 4*M16
LXXG-80 3” 225 284 200 160 8 * M16
LXXG-100 4” 250 295 220 180 8 * M16
LXXG-125 5” 250 310 250 210 8 * M16
LXXG-150 6” 300 339 285 240 8*M20
LXXG-200 8” 350 382 340 295 8*M20(1.0MPa) 12*M20(1.0MPa)
LXXG-250 10” 450 438 395 405
12*M20 (1.0MPa) 12*M24 (1.0MPa)

الف. حداکثر خطای مجاز یک منطقه کم (Q1≤Q

ب. هنگامی که دمای آب ≤30 ℃ است، حداکثر خطای مجاز در ناحیه بالا (Q2≤Q≤Q4) ± 2% است وقتی دمای آب >30℃ باشد، حداکثر خطای مجاز در ناحیه بالا (Q2≤Q≤Q4) ± 3% است.






تگ های داغ: کنتور آب آبیاری
ارسال استعلام
اطلاعات تماس
  • نشانی

    پلاک 112، جاده جیفانگ، منطقه لیکسیا، شهر جینان، استان شاندونگ، چین

  • پست الکترونیک

    sdepochwater@hotmail.com

آماده ورود پروژه سیستم آب خود به سطح بعدی هستید؟ یک استعلام به شرکت تجهیزات Epoch Shandong ، آموزشی ویبولیتین ارسال کنید و از تیم ما پاسخ شخصی دریافت کنید. ما در اینجا هستیم تا به تمام نیازهای سیستم آب شما کمک کنیم. بگذارید شریک قابل اعتماد شما باشیم.
X
ما از کوکی ها استفاده می کنیم تا تجربه مرور بهتری به شما ارائه دهیم، ترافیک سایت را تجزیه و تحلیل کنیم و محتوا را شخصی سازی کنیم. با استفاده از این سایت، شما با استفاده ما از کوکی ها موافقت می کنید. سیاست حفظ حریم خصوصی
رد کردن قبول کنید