واتساپ

8615665727870

به ما ایمیل بزنید

sdepochwater@hotmail.com

خبر

ساختار و اصل کار شیر پروانه

چرخش 90 درجه ، تسلط کنترل جریان بدون دردسر-دریچه های پروانه: بهینه سازی کارآیی و هزینه برای عملیات خط لوله با قطر بزرگ!

1. بررسی اجمالی:

  دریچه پروانهیک دریچه ساختاری ساده و سریع است که در درجه اول برای کنترل جریان مایعات (مانند آب ، گاز یا دوغاب) در خطوط لوله استفاده می شود. عملکرد اصلی آن باز کردن ، بستن یا تنظیم گذرگاه با چرخاندن یک دیسک (دیسک پروانه) در داخل لوله است.

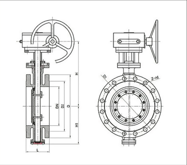
2. اجزای کلید - بدنه و دیسک شیر:

   بدنه اصلی دریچه پروانه بدنه دریچه ، یک محفظه استوانه ای کوتاه است که در هر دو انتها به خط لوله متصل شده و عبور سیال را تشکیل می دهد. در مرکز عبور از بدنه دریچه ای قرار دارد که جزء اصلی - دیسک است. این یک ساختار دیسک شکل است که طراحی آن (متمرکز یا خارج از مرکز) و مواد به طور قابل توجهی بر عملکرد دریچه تأثیر می گذارد.

3. مؤلفه های کلید - ساقه و فعال سازی:

   یک ساقه از مرکز یا یک نقطه عجیب و غریب دیسک عبور می کند و در خارج از بدنه دریچه امتداد می یابد. این شافت وظیفه انتقال نیروی چرخشی (گشتاور) تولید شده توسط مکانیسم عملیاتی خارجی (مانند یک اهرم ، هندوله یا محرک خودکار) را به دیسک می دهد و چرخش آن را هدایت می کند.

4. مؤلفه های کلید - آب بندی (صندلی و مهر و موم):

   برای دستیابی به آب بندی در هنگام بسته شدن ، یک صندلی حلقوی روی دیواره داخلی بدنه دریچه (یا در لبه دیسک در طرح های سه گانه) نصب می شود. وقتی دیسک بسته شد ، لبه آن محکم در برابر این صندلی فشار می یابد. مواد صندلی می توانند الاستومرها باشند (صندلی نرم ، به عنوان مثال ، لاستیک ، PTFE ، آب بندی خوب) یا فلز (صندلی سخت ، مقاوم در برابر درجه حرارت و فشار بالا). علاوه بر این ، مهر و موم ها (مانند بسته بندی یا حلقه O) در جایی قرار دارند که ساقه از بدنه دریچه خارج می شود و از نشت رسانه در امتداد ساقه جلوگیری می کند.

5. اصل کار - روند افتتاح:

   هنگامی که شیر نیاز به باز شدن دارد ، مکانیسم عملیاتی (دستی یا اتوماتیک) ساقه را می چرخاند. ساقه باعث می شود دیسک در اطراف محور خود بچرخد و از موقعیت عمود بر محور خط لوله (90 درجه ، حالت بسته) به سمت موقعیت موازی با آن (0 درجه) حرکت کند. با چرخش دیسک ، انسداد آن به مایعات کاهش می یابد ، عبور جریان به تدریج باز می شود و مایعات به راحتی از طریق آن جریان می یابد. زاویه چرخش امکان کنترل دقیق سرعت جریان را فراهم می کند.

6. اصل کار - فرآیند بسته شدن:

   هنگامی که شیر نیاز به بسته شدن دارد ، مکانیسم کار ساقه را در جهت مخالف می چرخاند. دیسک شروع به چرخش از موقعیت خود به موازات خط لوله می کند و به تدریج مسیر جریان را مسدود می کند. پس از چرخش تقریباً 90 درجه برای رسیدن به موقعیت عمود ، لبه دیسک به طور محکم در مقابل صندلی فشار می یابد. از طریق این فشرده سازی (با تکیه بر تغییر شکل الاستیک برای صندلی های نرم یا تماس دقیق مخروطی مخروطی برای صندلی های سخت) ، یک حلقه آب بندی کامل بین لبه دیسک و صندلی تشکیل می شود که جریان مایعات کاملاً مسدود شده است.

7. مزایای اصلی:

   مزایای اصلی دریچه های پروانه ای در ساختار جمع و جور ، وزن سبک و ابعاد چهره به چهره آنها (فضای صرفه جویی) ، عملکرد ساده و سریع (به طور معمول فقط به چرخش 90 درجه برای باز/نزدیک) ، مقاومت در برابر مایعات کم (به خصوص در هنگام باز کردن کاملاً باز) ، گشتاور کم کار و مزایای هزینه قابل توجهی در لوله های با سمیت بزرگ وجود دارد.

8. مضرات و ملاحظات:

   مضرات دریچه های پروانه ای شامل توانایی فشار آب بندی آنها به طور معمول از دریچه های دروازه یا کره زمین (به ویژه انواع نرم) پایین تر است ، دیسک همیشه در مسیر جریان وجود دارد که باعث از بین رفتن فشار می شود ، برای کاربردهای شدید دریچه گاز (که ممکن است باعث لرزش یا فرسایش شود) و حساسیت به مواد کم نور به دماء شدید است.

9. برنامه های کاربردی:

   با استفاده از این مزایا ، دریچه های پروانه ای به طور گسترده ای در سناریوهای قطر متوسط تا بزرگ مورد استفاده قرار می گیرند که خواستار عملکرد سریع ، محدودیت های فضا یا حساسیت به هزینه هستند. کاربردهای متداول عبارتند از: سیستم های تأمین آب و زهکشی (آب آشامیدنی ، فاضلاب) ، سیستم های HVAC (گرمایش ، تهویه و تهویه مطبوع) ، سیستم های حفاظت از آتش ، آب خنک کننده در صنعت برق ، صنعت پتروشیمی (برای فشار کم ، رسانه های محیط زیست) ، صنایع مواد غذایی و دارویی (دریچه های بهداشتی) ، و دست و پنجه نرم می کنند.

   شرکت تجهیزات Epoch Shandong ، Ltd. یک تولید کننده حرفه ای در مقیاس بزرگ در استان شاندونگ چین است ، به جهت گیری علم و فناوری ، حفاظت از محیط زیست ، کیفیت و کارآیی پایبند است. در حال حاضر ، آن را به یک شرکت بین منطقه ای و چند صنعتی تبدیل کرده است که صنایع گسترده ای مانند طراحی ، توسعه ، تولید و صادرات را ادغام می کند. به وب سایت ما مراجعه کنیدhttps://www.epochpipeline.com/برای کسب اطلاعات بیشتر در مورد محصولات ما. برای سوالات ، می توانید به ما در sdepochwater@hotmail.com برسید.

اخبار مرتبط
برای من پیام بگذارید
X
ما از کوکی ها استفاده می کنیم تا تجربه مرور بهتری به شما ارائه دهیم، ترافیک سایت را تجزیه و تحلیل کنیم و محتوا را شخصی سازی کنیم. با استفاده از این سایت، شما با استفاده ما از کوکی ها موافقت می کنید. سیاست حفظ حریم خصوصی
رد کردن قبول کنید