واتساپ

8615665727870

به ما ایمیل بزنید

sdepochwater@hotmail.com

خبر

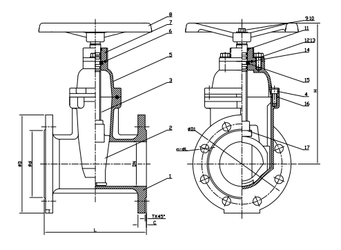
دریچه دروازه NRS انعطاف پذیر فلنج

   دردریچه دروازه ساقه غیر بلند (NRS) انعطاف پذیر فلنجدریچه خاموش با اتصالات فلنج و ساقه غیر سریع است. طراحی اصلی آن دارای یک دروازه گوه با روکش لاستیکی (صندلی انعطاف پذیر) و مکانیسم ساقه غیر رو به رشد است. چرخاندن هندوستان مهره ساقه را به سمت حرکت عمودی ، آب بندی یا باز کردن خط لوله هدایت می کند. مطابق با استانداردهای BS 5163/EN 1074 (رتبه بندی فشار PN10/16) ، دریچه استحکام یک بدنه فلزی را با آب بندی الاستیک صفر نشت ترکیب می کند.


برنامه های کاربردی Senariosspace با محدودیت:

   اتاق های دریچه زیرزمینی و گالری های لوله ای باریک (طراحی NRS باعث صرفه جویی در فضای عمودی می شود) ؛ ساختمان خط لوله های حفاظت از آتش سوزی ؛ کنترل مایعات فشار کم به میانی: خاموش شدن در آبرسانی آب شهری ؛ سیستم های آب خنک کننده صنعتی (تحمل ≤80 ° C/176 درجه فارنهایت) ؛ ایستگاه های آتش سوزی پمپاژ (IPTIME TOOTERIATIONS (OUL/FM) مقاومت در برابر اسیدهای ضعیف/قلیایی) ؛ خطوط لوله ساحلی (پوشش کامل اپوکسی برای محافظت در برابر خوردگی).

   مزایای اصلی 1. ساختار مهر و موم سازی ساختار مهر و موم: صندلی لاستیکی + فشرده سازی گوه فلزی به دست می آید EN 12266 کلاس A مهر و موم (نشت 0.01 ٪) ؛ جبران سایش اتوماتیک: صندلی الاستیک میکرو تغییر شکل ها را پر می کند و عمر خدمات را به 200،000 چرخه افزایش می دهد. بهره وری فضا و طراحی NRS مقاوم در برابر تعمیر و نگهداری کم: ساقه کاملاً محصور از آسیب های خارجی جلوگیری می کند (60 ٪ خرابی کمتر در مقابل دریچه های در حال افزایش) ؛ عملیات بدون تعمیر و نگهداری: یاتاقان های خودآزمایی + مهر و موم ساقه دارای امتیاز IP68 (نگهداری صفر به مدت 10 سال) .3. فلنج های سازگار با مهندسی: فلنج های ISO 5211 سازگار با خطوط لوله GB/ANSI/DIN ؛ مقاومت در برابر جریان کم: طراحی کامل (DN≥80) از دست دادن سر تا 30 ٪ ؛ خاموش کردن اضطراری: 90 درجه چرخش دستگیره بسته بندی سریع (پاسخ 3-ثانیه).

   صنعت برنامه های کاربردی میخانه میخانه به روزرسانی آب: دریچه های DN300 جایگزین دروازه های فولادی ریخته گری (نشت کاهش یافته به 0.001 ٪) ؛ سیستم آتش نشانی دبی پالم جزیره: NRS ONSOVES Passed ISO 9227 آزمایش نمک نمکی (2،000 ساعت) ؛ تونل جدید منطقه Xiong'an تونل: SELECTORE SELECTION SELECTION (SENTORE SEATRATE SELETATE: EPTATENTION SEATORE OPERATION. سازگاری دمای سیال/شیمیایی.

   شرکت تجهیزات Epoch Shandong ، Ltd. یک تولید کننده حرفه ای در مقیاس بزرگ در استان شاندونگ چین است ، به جهت گیری علم و فناوری ، حفاظت از محیط زیست ، کیفیت و کارآیی پایبند است. در حال حاضر ، آن را به یک شرکت بین منطقه ای و چند صنعتی تبدیل کرده است که صنایع گسترده ای مانند طراحی ، توسعه ، تولید و صادرات را ادغام می کند. به وب سایت ما مراجعه کنیدhttps://www.epochpipeline.com/برای کسب اطلاعات بیشتر در مورد محصولات ما. برای سوالات ، می توانید به ما در sdepochwater@hotmail.com برسید.


اخبار مرتبط
برای من پیام بگذارید
X
ما از کوکی ها استفاده می کنیم تا تجربه مرور بهتری به شما ارائه دهیم، ترافیک سایت را تجزیه و تحلیل کنیم و محتوا را شخصی سازی کنیم. با استفاده از این سایت، شما با استفاده ما از کوکی ها موافقت می کنید. سیاست حفظ حریم خصوصی
رد کردن قبول کنید